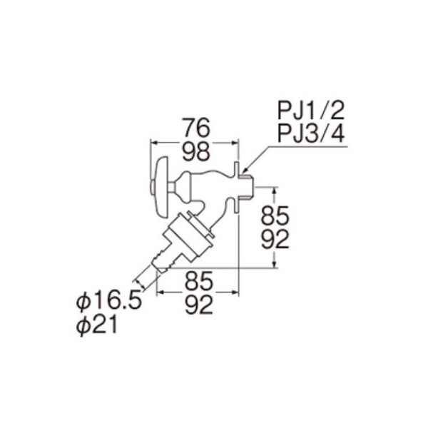
水栓金具 三栄水栓 Y81V-20 単水栓 自動接手散水栓 [戻る]