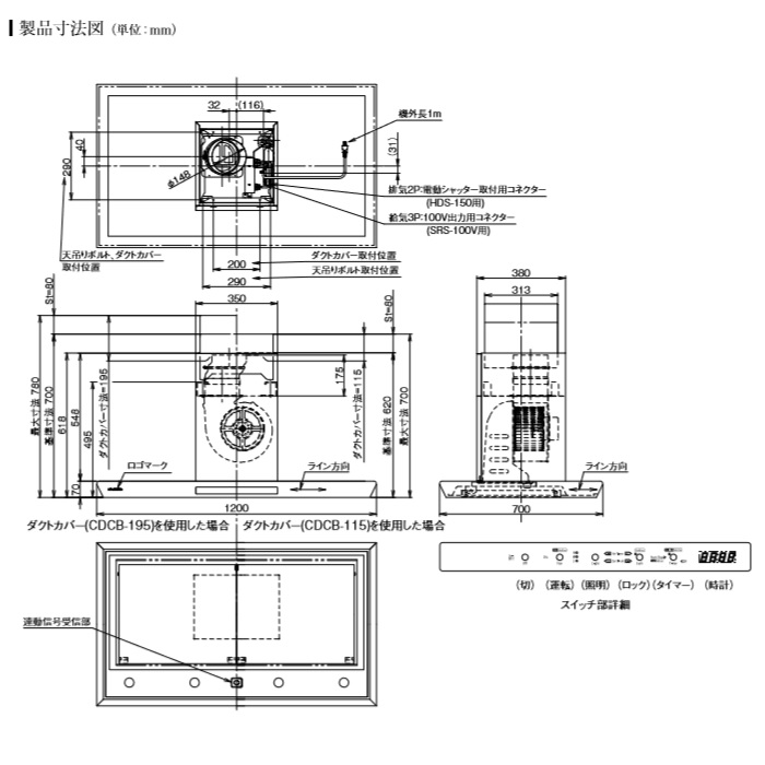
富士工業/FUJIOH 【CLREL-1253 S】 換気扇 レンジフード アリアフィーナ センターロレーナ 天井取付タイプ ステンレス ※受注生産品 [♪§] [戻る]