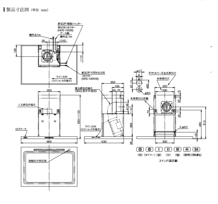
富士工業/FUJIOH 【FEDL-952 S/TW/TBK】 換気扇 レンジフード アリアフィーナ フェデリカ 壁面取付けタイプ ※受注生産品 [♪§] [戻る]