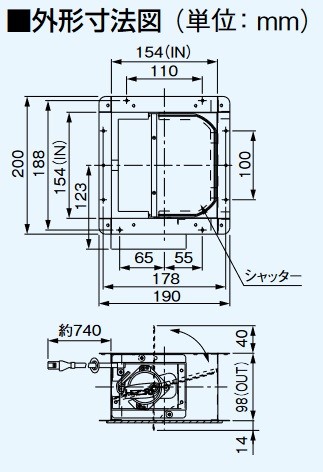
パナソニック FY-MSSJ062 換気扇 レンジフード部材 電動シャッター [◇] [戻る]