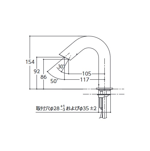
TOTO TLE31SS2J 水栓金具 アクアオート(台付自動水栓) Aタイプ「きれい除菌水」搭載 AC100Vタイプ ワンプッシュなし サーモ [■] [戻る]