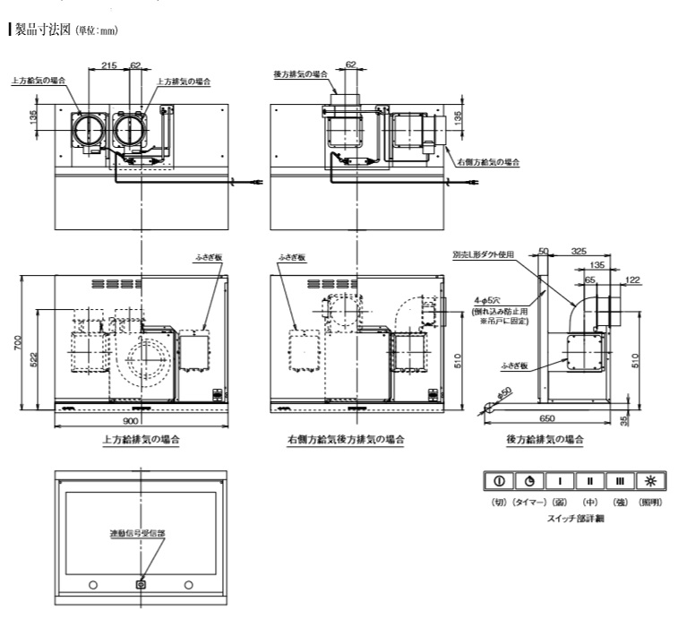
富士工業/FUJIOH 【LUSL-901+FEDVA-9066 TW】レンジフード アリアフィーナ ルイーザ 壁面取付 同時給排ユニット付 テクスチャーホワイト 受注品[♪§]
[戻る]