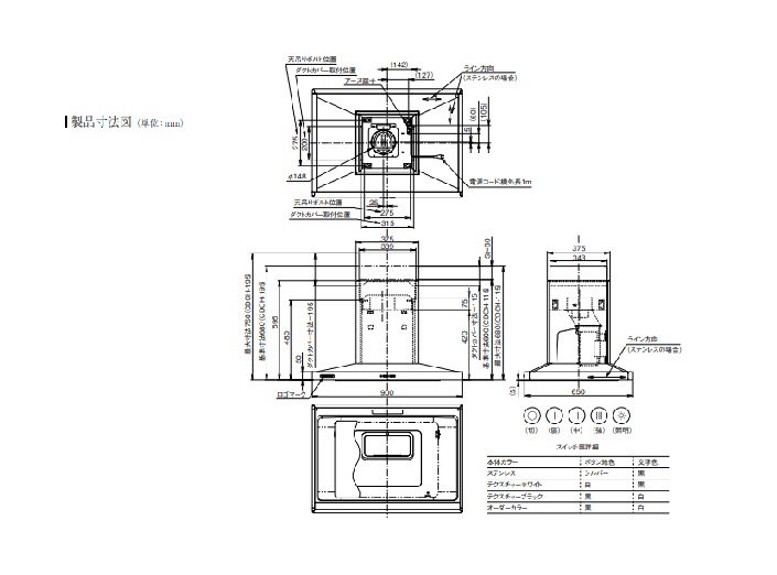
富士工業/FUJIOH [CBAR-903 S4] 換気扇 レンジフード アリアフィーナ センターバルケッタ 天井取付タイプ ステンレス ※受注生産品 ♪§ [戻る]