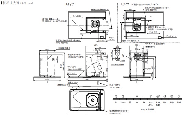
富士工業/FUJIOH [SVVAH-951R/L S] 換気扇 レンジフード アリアフィーナ サイドヴィヴィアナ 横壁取付タイプ ステンレス ※受注生産品 ♪§ [戻る]