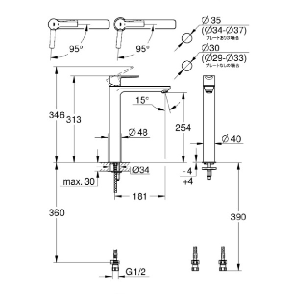
グローエ 24382000 洗面用水栓 リネア シングルレバー洗面混合栓 CS仕様(据置洗面器用 引棒なし) [戻る]