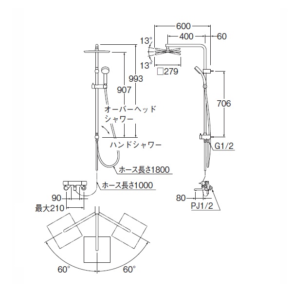
SANEI/三栄水栓 SK18C-2S4-MDP 混合栓 壁付シャワー混合栓 サーモシャワー混合栓 URBAN TOWER マットブラック 受注生産品 § [戻る]